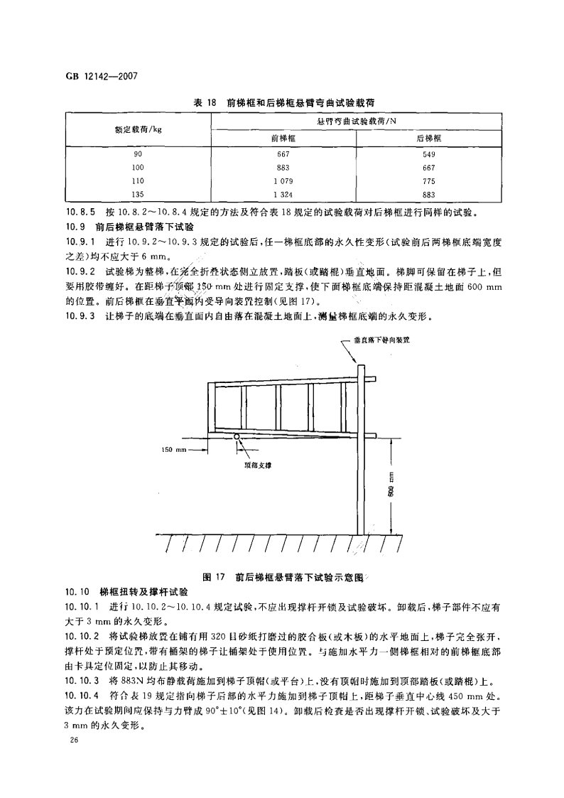
《便攜式金屬梯安全要求 GB 12142-2007》國家質量監督檢驗檢疫總局、國家標準化管理委員會
2020/6/9 8:33:37點擊:
《GB 12142-2007 便攜式金屬梯安全要求》
國家質量監督檢驗檢疫總局、國家標準化管理委員會
標準簡介
標準規定了便攜式金屬梯設計、制造的安全要求、試驗要求及安全使用等方面的要求,適用于各種生產活動中使用的便攜式金屬延伸梯(二節和三節延伸梯)、便攜式金屬單梯、便攜式金屬折梯。





























- 上一篇:《廣東省電梯使用安全條例》廣東省第十二屆人民代表大會常務委員 2020/6/9
- 下一篇:《特種設備現場安全監督檢查規則》質檢總局2015年第5號 2020/6/9


粵公網安備 44030602004070號